
6' × 6' semi-private closed picket
2" × 3½"
Hollow Rail
⅞" × 1 ½"
Pickets
5" × 5"
Post
| Key | QTY | Item Key | Description |
|---|---|---|---|
| A | 2 | C55PRYA | 5" × 5" Pyramid Cap |
| B | 2 | F10C | 5" × 5" × 72" Standard Post |
| C | 3 | F24E | 2" × 3 ½" × 72" Hollow Rail |
| D | 40 | F42S | 1 ½" × 1 ½" × 44" Pickets |
| E | 1 | 1G24PA288 | 72" Aluminum P-Channel Rail Insert In Bottom Rail |
Please refer to the appropriate guideline documents available on this app for proper installation.

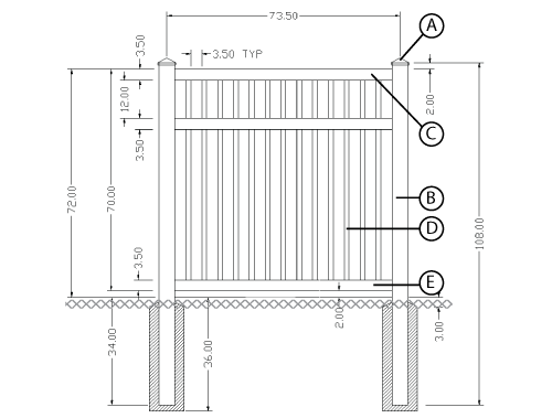
6' × 6' semi-private closed picket
2" × 3½"
Hollow Rail
⅞" × 1 ½"
Pickets
5" × 5"
Post
| Key | QTY | Item Key | Description |
|---|---|---|---|
| A | 2 | C55PRYA | 5" × 5" Pyramid Cap |
| B | 2 | F10C | 5" × 5" × 108" Standard Post |
| C | 3 | F24E | 2" × 3 ½" × 72" Hollow Rail |
| D | 13 | F65S | ⅞" × 1 ½" × 67 ½" Pickets |
| E | 1 | 1G24PA288 | 72" Aluminum P-Channel Rail Insert In Bottom Rail |
Please refer to the appropriate guideline documents available on this app for proper installation.

4' × 6' closed picket
2" × 3½"
Hollow Rail
⅞" × 3"
Pickets
4" × 4"
Post
#HVP-24
| Key | QTY | Item Key | Description |
|---|---|---|---|
| A | 2 | C44PRYA | 4" × 4" Pyramid Cap |
| B | 2 | F12N | 4" × 4" × 72" Standard Post |
| C | 2 | F24E | 2" × 3 ½" × 72" Hollow Rail |
| D | 11 | F57C | ⅞" × 3" × 44" Pickets |
| E | 1 | 1G24PA288 | 72" Aluminum P-Channel Rail Insert In Bottom Rail |
Please refer to the appropriate guideline documents available on this app for proper installation.

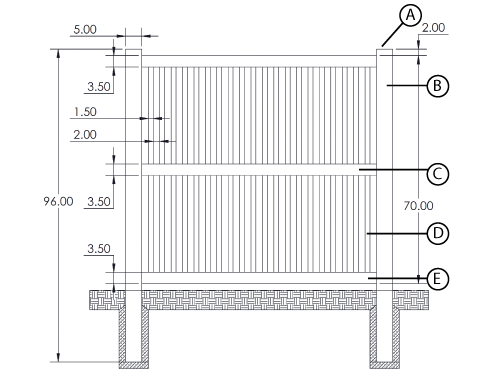
6' × 6' semi-private closed picket
2" × 3½"
Hollow Rail
⅞" × 1 ½"
Pickets
5" × 5"
Post
#08212018
| Key | QTY | Item Key | Description |
|---|---|---|---|
| A | 2 | C55PRYA | 5" × 5" Pyramid Cap |
| B | 2 | F10C | 5" × 5" × 96" Standard Post |
| C | 3 | F24E | 2" × 3 ½" × 72" Hollow Rail |
| D | 40 | F42S | 1 ½" × 1 ½" × 44" Pickets |
| E | 1 | 1G24PA288 | 72" Aluminum P-Channel Rail Insert In Bottom Rail |
Please refer to the appropriate guideline documents available on this app for proper installation.

6' × 6' High closed picket
2" × 3½"
Hollow Rail
⅞" × 1 ½"
Pickets
5" × 5"
Post
#HVP-21
| Key | QTY | Item Key | Description |
|---|---|---|---|
| A | 2 | C55PRYA | 5" × 5" Pyramid Cap |
| B | 2 | F10C | 5" × 5" × 108" Standard Post |
| C | 3 | F24E | 2" × 3 ½" × 72" Hollow Rail |
| D | 13 | F65S | ⅞" × 1 ½" × 67 ½" Pickets |
| E | 1 | 1G24PA288 | 72" Aluminum P-Channel Rail Insert In Bottom Rail |
Please refer to the appropriate guideline documents available on this app for proper installation.